4 884 руб.
Цена указана за 1 шт.
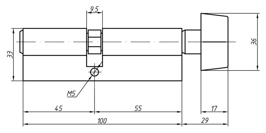
Профильный цилиндр Titan/Maxbar с 5-ти штифтовой системой с 240 000 комбинациями соответствует EN 1303 (класс запирания 5). Поставляется с 3-мя ключами. Ключ с большой площадкой. Винт M5x45 мм в комплекте.
Цилиндровый механизм является главной частью цилиндрового замка, заставляющей работать ригельный привод работать на закрывание или открывание. Цилиндр является сменной частью механизма и имеет универсальные, стандартные размеры, благодаря чему его легко заменить.
Преимущества:
-
Надежность, сложность вскрытия;
-
Сравнительно высокий уровень защиты от механического разрушения;
-
Небольшие размеры механизмов, а также ключей для них. Такими ключами удобно пользоваться;
-
Возможность быстрой замены сломанного цилиндра.
Замковый цилиндр – основное при выборе:
-
Количество штифтов повышает секретность замка, увеличивая тем самым количество возможных комбинаций;
-
Наличие защиты от высверливания в виде твердых металлических штифтов в корпусе цилиндра;
-
Стопор против удаления сердечника;
-
Профиль ключа: чем сложней ключ, тем сложней подобрать его;
-
Наличие механической блокировки цилиндра при попытке взлома;
-
Наличие защиты от вдавливания штифтов секретности внутрь корпуса цилиндра.
Как правильно выбрать профильный цилиндр?
Профильные цилиндры имеют стандартный профиль поперечного сечения и различаются только по внешней отделке и размерам А и В (рис. 3).
Для того чтобы правильно определить необходимый типоразмер, нужно определить расстояния в обе стороны от оси установки замка и учесть толщину декоративных накладок на профильный цилиндр.
Профильный цилиндр не должен выступать из накладки более, чем на 3 мм (рис. 4).
В противном случае резко снижаются противовзломные свойства двери, так как торец выступающей части, в котором расположены стальные стержни от высверливания, легко может быть спилен.
| Производитель | Maxbar |
|---|---|
| Тип товара | Двусторонние ключ-ручка |
| Размер | 50-45 |






